Load Flow Analysis of Western Development Region (Zone 3), Nepal

ABSTRACT

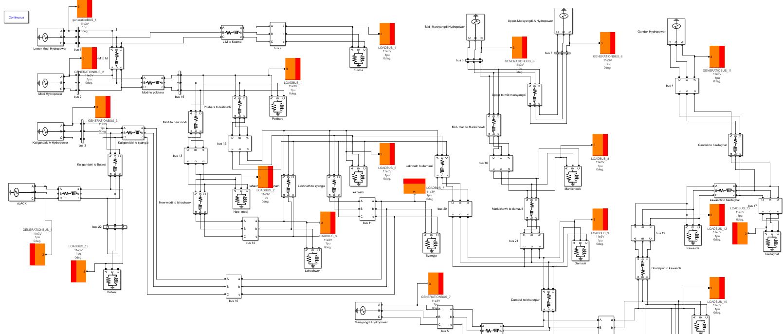
All the existing substations, lines, and generations were taken into consideration while developing the power grid network. The flow analysis was also calculated from a model developed using MATLAB software. Similarly, Voltage levels at each bus and the line losses were calculated. The data were obtained from NEA’s recent annual report, Distribution & Consumer service directories NEA and other related literature.


Request Report: Here